পণ্য সারাংশ
| RVE35 সিরিজ সোলার পাম্প VFD | | |
| | ডিসি/এসি ইনপুট | |
| | পরিমার্জিত নকশা | |
| | এমপিপিটি | |
| প্যারামেট্রিক | ||
| মডেল | RVE35-T3-5R5GB ~ RVE35-T3-7R5GB |
| ভোল্টেজ | 350VDC থেকে 800/900VDC ইনপুট, 3 PH 380VAC থেকে 440VAC ইনপুট | |
| পি রেটেড (কিলোওয়াট) | ৫.৫/৭.৫ | |
| রেট করা বর্তমান (A) | 13/16A/25A | |
| এমপিপিটি Vmp/Voc | 540/660 | |
| মাত্রা (মিমি) | 265*105*164 | |
অ্যাপ্লিকেশন পটভূমি
| সাম্প্রতিক বছরগুলিতে, বিশ্বব্যাপী "খাদ্য সমস্যা" এবং "শক্তি সমস্যা" এর ক্রমবর্ধমান তীব্রতার সাথে সৌর জলের পাম্পগুলিকে ধীরে ধীরে কার্যকরী চাষের জমির উৎপাদন বৃদ্ধি এবং জীবাশ্ম শক্তিকে পরিচ্ছন্ন শক্তি দিয়ে প্রতিস্থাপন করার সমস্যা সমাধানের জন্য কার্যকর শিল্প ইন্টিগ্রেশন পণ্য হিসাবে সমাদৃত হয়েছে। ফলস্বরূপ, একটি উদীয়মান অর্থনৈতিক মডেলের জন্ম হয়েছিল যেখানে সৌর শিল্প ঐতিহ্যগত শিল্প যেমন কৃষি জল সংরক্ষণ, মরুভূমি নিয়ন্ত্রণ, গার্হস্থ্য জল ব্যবহার এবং শহুরে জলের দৃশ্যের সংমিশ্রণে বিকশিত হয়েছিল। |
পণ্য বৈশিষ্ট্য
• দ্রুত প্রতিক্রিয়া গতি এবং স্থিতিশীল অপারেশন সহ সর্বাধিক পাওয়ার পয়েন্ট ট্র্যাকিং (MPPT)
• ড্রাই রান (লোডের অধীনে) সুরক্ষা
• মোটর সর্বোচ্চ বর্তমান সুরক্ষা
• ইনপুট পাওয়ার সুরক্ষা
• কম স্টপ ফ্রিকোয়েন্সি সুরক্ষা
• PQ (শক্তি/প্রবাহ) কর্মক্ষমতা বক্ররেখা পাম্প থেকে প্রবাহ আউটপুট গণনা সক্ষম করে
• সম্পূর্ণ স্বয়ংক্রিয় অপারেশন, ডেটা স্টোরেজ এবং প্রতিরক্ষামূলক ফাংশনগুলির জন্য ডিজিটাল নিয়ন্ত্রণ
• প্রধান সার্কিটের জন্য ইন্টেলিজেন্ট পাওয়ার মডিউল (IPM)
• এলইডি ডিসপ্লে অপারেটিং প্যানেল এবং রিমোট কন্ট্রোল সমর্থন করে
• ডুয়াল মোড এসি এবং ডিসি পাওয়ার সাপ্লাই ইনপুট উপলব্ধ
• লো ওয়াটার প্রোব সেন্সর, এবং ওয়াটার লেভেল কন্ট্রোল ফাংশন
• ব্যবহারের জন্য পরিবেষ্টিত তাপমাত্রা: -10 থেকে 50˚C।
| পরিমার্জিত নকশা ইনস্টলেশন এলাকা 50% কমেছে ভলিউম 30% কমেছে | |
| | পূর্ণ-স্বয়ংক্রিয় থ্রি-প্রুফ পেইন্ট লেপ মেশিনটি সার্কিট বোর্ডের প্রতিরক্ষামূলক স্তরকে ঘন করতে ব্যবহৃত হয়, কার্যকরভাবে বায়ু ধূলিকণা, ক্ষয়কারী গ্যাস এবং আর্দ্র বাতাসের কারণে সার্কিট বোর্ডের ক্ষতি প্রতিরোধ করে। |
| | রেট করা লোডের অধীনে পণ্যগুলির বিভিন্ন বৈদ্যুতিক সূচক এবং সুরক্ষা ফাংশন পরীক্ষা করতে সম্পূর্ণ-স্বয়ংক্রিয় সনাক্তকরণ সরঞ্জামগুলি গ্রহণ করুন। |
| | সমস্ত ফিনিশড পণ্যগুলি 60 ডিগ্রির উচ্চ তাপমাত্রায় 48 ঘন্টার জন্য লোডের অধীনে বয়স্ক হয়, এবং তারপর সমস্ত বৈদ্যুতিক সূচকগুলি লোডের অধীনে পরীক্ষা করা হয়, যাতে পণ্যের ব্যর্থতার হার হ্রাস করা যায়। |
মডেল নামকরণ
সাধারণ প্রকার S2 সিরিজ:
Vmp 310VDC বা 220VAC ইনপুট, 1/3 ফেজ 0-220VAC আউটপুট
| মডেল | রেট করা বর্তমান ( A ) | আউটপুট ভোল্টেজ ( VAC ) | পাওয়ার (kW) পাম্পের জন্য প্রযোজ্য | ড্রাইভের আকারের বাহ্যিক H*W*D (মিমি) | এমপিপিটি ভিএমপি/ভোক |
| RVE35-S2-0R7G | 4 | 0-220 | 0.75 | 187*86*152 | 310/372 |
| RVE35-S2-1R5G | 7 | 0-220 | 1.5 | ||
| RVE35-S2-2R2G | 10 | 0-220 | 2.2 | ||
| RVE35-S2-3G | 13 | 0-220 | 3 | 265*105*164 | |
| RVE35-S2-4G | 16 | 0-220 | 4 |
সাধারণ প্রকার T3 সিরিজ:
Vmp540 থেকে 650VDC বা 380 থেকে 460VAC ইনপুট, 3 ফেজ 0-380/460VAC আউটপুট
| মডেল | রেট করা বর্তমান ( A ) | আউটপুট ভোল্টেজ ( VAC ) | পাওয়ার (kW) পাম্পের জন্য প্রযোজ্য | ড্রাইভের আকারের বাহ্যিক H*W*D (মিমি) | এমপিপিটি ভিএমপি/ভোক |
| RVE35-T3-0R7GB | 2.5/3.7 | 0-380/440 | 0.75 | 187*86*152 | 540/660 |
| RVE35-T3-1R5GB | ৩.৭/৫ | 0-380/440 | 1.5 | ||
| RVE35-T3-2R2GB | 5/10 | 0-380/440 | 2.2 | ||
| RVE35-T3-4GB | 10/13 | 0-380/440 | 4.0 | ||
| RVE35-T3-5R5GB | 13/16 | 0-380/440 | 5.5 | 265*105*164 | |
| RVE35-T3-7R5GB(প্লাস্টিকের কেস) | 16/25 | 0-380/440 | 7.5 | ||
| RVE35-T3-7R5GB(আয়রন কেস) | 16/25 | 0-380/440 | 7.5 | 333*150*216 | |
| RVE35-T3-11GB | 25/32 | 0-380/440 | 11 | ||
| RVE35-T3-15GB | 32/38 | 0-380/440 | 15 | ||
| RVE35-T3-18GB | 38/45 | 0-380/440 | 18 | 383*180*228 | |
| RVE35-T3-22GB | 45/60 | 0-380/440 | 22 | ||
| RVE35-T3-30GB | 60/75 | 0-380/440 | 30 | 435*175*265 | |
| RVE35-T3-37GB | 75/90 | 0-380/440 | 37 | ||
| RVE35-T3-45G | 90/110 | 0-380/440 | 45 | 670*265*358 | |
| RVE35-T3-55G | 110/150 | 0-380/440 | 55 | ||
| RVE35-T3-75G | 150/170 | 0-380/440 | 75 | ||
| RVE35-T3-90G | 170/210 | 0-380/440 | 90 | 845*305*358 | |
| RVE35-T3-110G | 210A/250 | 0-380/440 | 110 | ||
| RVE35-T3-132G | 250A/300 | 0-380/440 | 132 | ||
| RVE35-T3-160G | 300A/340 | 0-380/440 | 160 | 788*500*360 | |
| RVE35-T3-185G | 340/380 | 0-380/440 | 185 | ||
| RVE35-T3-200G | 380/415 | 0-380/440 | 200 | 900*540*358 | |
| RVE35-T3-220G | 415/470 | 0-380/440 | 220 | ||
| RVE35-T3-250G | 470/520 | 0-380/440 | 250 | ||
| RVE35-T3-280G | 520/600 | 0-380/440 | 280 | 1035*620*400 | |
| RVE35-T3-315G | 600/680 | 0-380/440 | 315 | ||
| RVE35-T3-355G | 680/750 | 0-380/440 | 355 | 1290*780*410 | |
| RVE35-T3-400G | 750/810 | 0-380/440 | 400 |
চমৎকার কর্মক্ষমতা
| | সরঞ্জামের নির্ভুলতা উন্নত করতে উচ্চ-কর্মক্ষমতা ভেক্টর নিয়ন্ত্রণ |
| ভেক্টর নিয়ন্ত্রণের অধীনে সর্বাধিক আউটপুট ফ্রিকোয়েন্সি 1500 Hz-এ পৌঁছায়, যা 1o-গুণ দুর্বল চৌম্বকীয় গতি নিয়ন্ত্রণ সীমার মধ্যে উচ্চ-নির্ভুল গতির আউটপুট অর্জন করতে পারে। | |
| | |
| | সিঙ্ক্রোনাস মোটর জন্য পারফেক্ট ড্রাইভ |
| 100% রেটেড লোড সহ 500 Hz এ ওপেন-লুপ ভেক্টর কন্ট্রোল মোডে সিঙ্ক্রোনাস মোটরের বর্তমান তরঙ্গরূপ। | |
| | |
| | নির্ভরযোগ্য তাপ অপচয় নকশা |
| স্বাধীন ডাবল এয়ার ডাক্ট ডিজাইন প্রযুক্তি 50 ℃ রিং তাপমাত্রার ক্ষমতা হ্রাস ছাড়াই সোলার পাম্প ড্রাইভের ব্যবহার উপলব্ধি করতে পারে। |
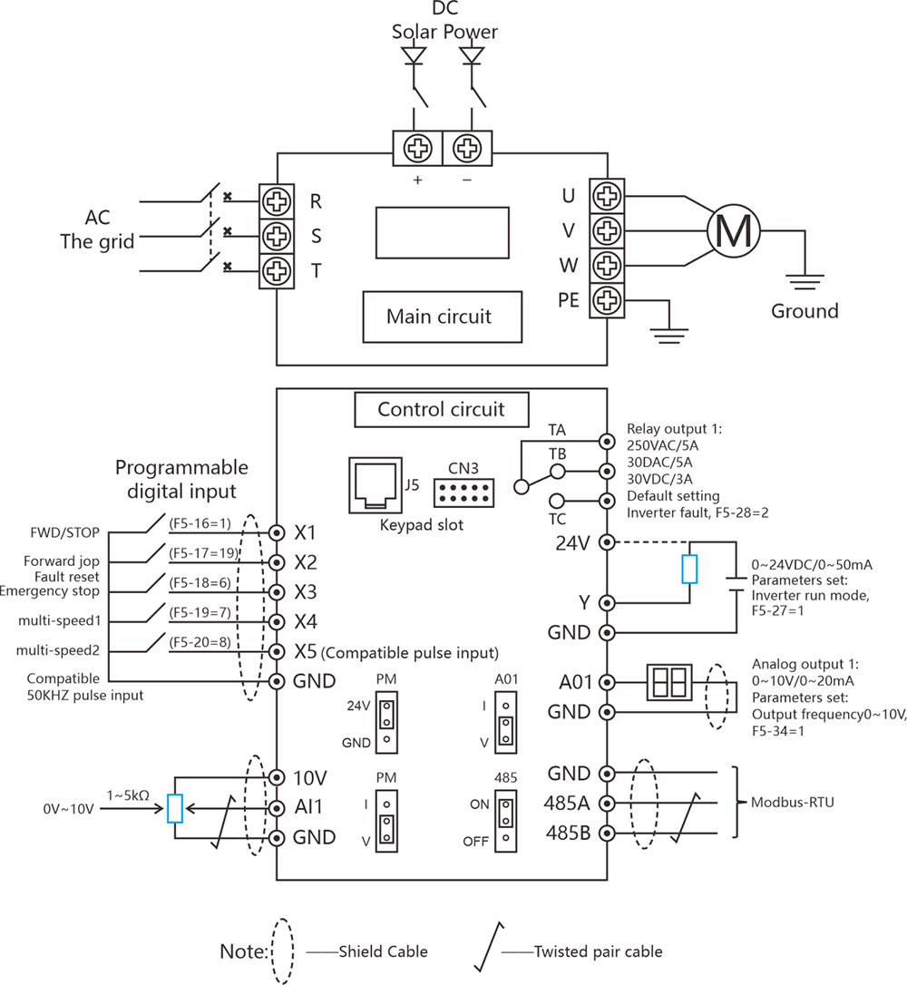
তারের ডায়াগ্রাম
RVE35 0.75kw-7.5kw পণ্যগুলির জন্য, অনুগ্রহ করে নিম্নলিখিতগুলি নোট করুন:
1. পণ্যটিতে X6 এবং X7 লজিক ইনপুট টার্মিনাল নেই;
2. পণ্যটিতে শুধুমাত্র 1টি অ্যানালগ ইনপুট, 1টি অ্যানালগ আউটপুট এবং 1টি রিলে আউটপুট রয়েছে










































